










2120100033G-1
Kit di conversione bici elettrica 36V 350W 27,5" motore a cassetta posteriore kit di conversione motore mozzo bicicletta
Pairs well with
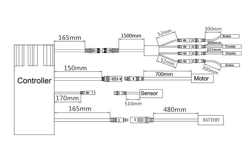
1) Motore a cassetta posteriore brushless da 36V 350W, adatto a cassette da 8/9/10 velocità;
2) dotato di cerchio a doppia parete da 27,5" e raggi argentati da 12 G, adatto per bici da 27,5";
3) la velocità massima del motore è di 30-32km/h;
4) la coppia massima del motore è di 57N.m;
5) compatibile con freni a V e freni a disco;
6) la larghezza di installazione richiesta tra le forcelle è di 138mm;
7) Controller Lishui da 36V 18A, collegato a motore, batteria, sensore PAS e cavo 4 in 1;
8) Display LCD Dashi C500 da 36V con retroilluminazione, 5 livelli di assistenza;
9) Sensore PAS per il lato sinistro del movimento centrale, doppio sensore Hall, 12 segnali in uscita;
10) acceleratore a pollice;
11) leve freno meccaniche.
2. Contenuto della confezione
1 x motore a cassetta posteriore con cerchio da 27,5"
1 x controller
1 x display LCD
1 x sensore PAS
1 x acceleratore a pollice
1 x cavo 4in1
1 x cavo tra controller e batteria
2 x leve freno
1 x borsa controller
1 x utensili gratuiti
3. Informazioni aggiuntive
* La garanzia del motore è di 18 mesi. Le altre parti nel kit hanno una garanzia di 12 mesi.
* La spedizione richiede 2-4 giorni lavorativi in Germania. Negli altri paesi, la spedizione richiede 4-8 giorni lavorativi.
* La velocità massima del motore è di 30-32km/h. Può essere impostata sul display, ma il limite di velocità non può essere annullato.
* Il sensore del pedale nel kit non è compatibile con Hollowtech II e Octalink. Avrai bisogno di questo sensore del pedale: https://yosepower.com/products/hollowtech-ii-sensor
* Le leve del freno nel kit non sono adatte per freni idraulici. Avrai bisogno di questi sensori freno: https://yosepower.com/products/hydraulic-brake-sensor
4. Avviso importante per il riciclaggio di batterie e kit motore usati
* In qualità di venditori professionisti, rispettiamo rigorosamente le leggi e le normative locali per garantire la qualità del prodotto, la sicurezza del trasporto e dello stoccaggio e la tutela dell'ambiente.
* In base alle normative sul riciclaggio dei beni di consumo elettronici, le batterie e i kit motore non devono essere smaltiti con i normali rifiuti domestici.
* I consumatori sono tenuti a smaltire i beni elettronici usati presso l'agenzia di riciclaggio professionale locale per un corretto smaltimento. Non devono essere gettati arbitrariamente nella spazzatura. Si prega di proteggere l'ambiente!
5. Dichiarazione di copyright
* Tutti i contenuti, comprese parole, immagini e video, sono originali realizzati da YOSE POWER.
* Non è consentito il plagio senza autorizzazione o ci riserviamo il diritto di perseguire la responsabilità legale.

Kit di conversione bici elettrica 36V 350W 27,5" motore a cassetta posteriore kit di conversione motore mozzo bicicletta
FAQs
Please read our FAQs page to find out more.
Where the products are shipped from?
Batteries and conversion kits are shipped from German warehouses. Some accessories will be shipped from German or other countries according to stock.
How long to receive the product?
The product will be shipped within two working days after the order is placed. Batteries and kits will be received in Germany within 2-4 working days and in other countries within 3-5 working days.
How can I return the product?
We will provide different return plans according to different problems. If there is a problem that needs to be repaired or solved within the warranty period, we will provide a free return label.
How long will accessories for the product be available?
We will continue to provide accessories for products that have been in use for more than ten years.
Is Yose Power a professional manufacturer?
Yose Power is a professional developer and manufacturer of electric bicycle batteries, motors and electronic control systems. We have our own factory and warehouse.



